Thiết bị chống sét lan truyền – DVA CSP 3P 100 S FM – 900 367
– Thử nghiệm điển hình chứng minh đáp ứng tiêu chuẩn IEC 61643-11, chứng chỉ cấp bởi LAB quốc tế thuộc ILAC ISO/IEC17025.
– Năng lượng tồn dư sau khi thiết bị làm việc với xung sét 25kA dạng xung năng lượng lớn 10/350µs < 1Jouls, xác thực thông qua thử nghiệm điển hình theo IEC 61643-12, thực hiện bởi phòng LAB quốc tế thuộc ILAC
– Khả năng chịu đựng trị số dòng 50Hz trong tình huống sự cố Pha-Trung tính-Đất Ifi [L-N]/[N-PE] = 25 kArms / 100 Arms.
– Khả năng giới hạn trị số dòng mạch chính phóng theo ≤ 32A, giảm thiểu nguy cơ gián đoạn nguồn khi SPD tác động bảo vệ.
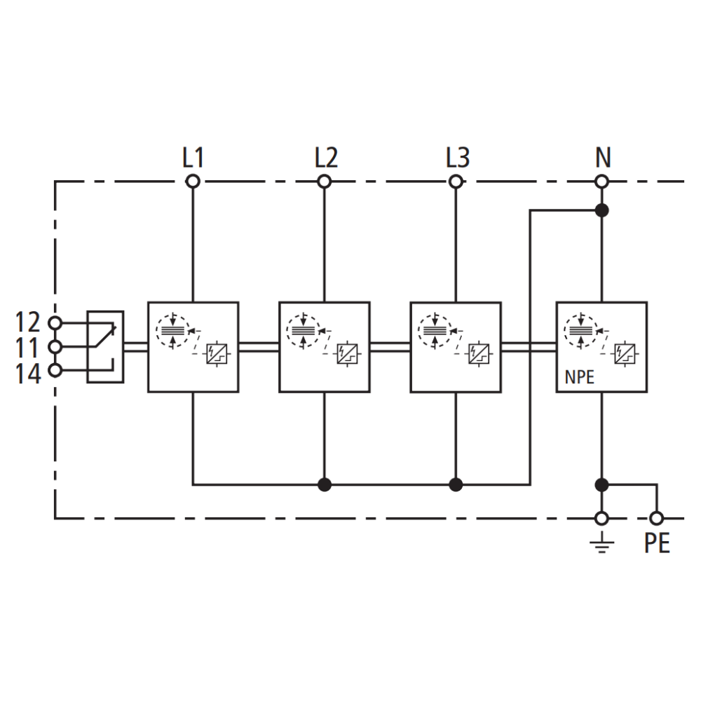
– Phân loại thiết bị chống sét theo IEC 61643-11 type 1 + type 2/class I + class II
– Năng lực bảo vệ trong phạm vi 10 mét type 1 + type 2 + type 3
– Tính năng SPD type 1 xung năng lượng lớn Iimp ≥25/100 kA (10/350 µs) [L-N]/[N-PE]
– Tính năng SPD type 2 xung cảm ứng lan truyền In ≥25/100 kA (8/20 µs) [L-N]/[N-PE]
– Kiểu lắp đặt: song song và gắn trên thanh Dinrail tiêu chuẩn.
Tài liệu kỹ thuật:

Liên hệ với chúng tôi để được tư vấn và hỗ trợ tốt nhất về các giải pháp phòng chống sét toàn diện.
- Văn phòng Hồ Chí Minh: 21 D3A, KDC Kiến Á, Phước Long B, Thủ Đức, TP HCM.
- Văn phòng Hà Nội: Tòa nhà Resco (B15), Đường Nguyễn Cảnh Dị – Quận Hoàng Mai – Tp. Hà Nội.
- Website: dhk.com.vn
- Hotline: 0985 251 385
- Facebook: Giải pháp và thiết bị Chống sét DHK
- LinkedIn: DHK JSC E&S





Đánh giá
Chưa có đánh giá nào.