Thiết bị chống sét lan truyền – DVA CSP 1P 50 S FM – 900 366
– Thử nghiệm điển hình chứng minh đáp ứng tiêu chuẩn IEC 61643-11, chứng chỉ cấp bởi LAB quốc tế thuộc ILAC ISO/IEC17025.
– Năng lượng tồn dư sau khi thiết bị làm việc với xung sét 25kA dạng xung năng lượng lớn 10/350µs < 1Jouls, xác thực thông qua thử nghiệm điển hình theo IEC 61643-12, thực hiện bởi phòng LAB quốc tế thuộc ILAC
– Khả năng chịu đựng trị số dòng 50Hz trong tình huống sự cố Pha-Trung tính-Đất Ifi [L-N]/[N-PE] = 25 kArms / 100 Arms.
– Khả năng giới hạn trị số dòng mạch chính phóng theo ≤ 32A, giảm thiểu nguy cơ gián đoạn nguồn khi SPD tác động bảo vệ.
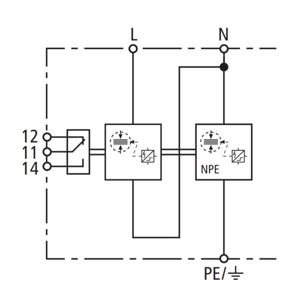
– Phân loại thiết bị chống sét theo IEC61643-11 type 1 + type 2/class I + class II
– Năng lực bảo vệ trong phạm vi 10 mét type 1 + type 2 + type 3
– Tính năng SPD type 1 xung năng lượng lớn Iimp ≥25/50 kA (10/350 µs) [L-N]/[N-PE]
– Tính năng SPD type 2 xung cảm ứng lan truyền In ≥25/50 kA (8/20 µs) [L-N]/[N-PE]
– Kiểu lắp đặt: song song và gắn trên thanh Dinrail tiêu chuẩn
Tài liệu kỹ thuật

Liên hệ với chúng tôi để được tư vấn và hỗ trợ tốt nhất về các giải pháp phòng chống sét toàn diện.
- Văn phòng Hồ Chí Minh: 21 D3A, KDC Kiến Á, Phước Long B, Thủ Đức, TP HCM.
- Văn phòng Hà Nội: Tòa nhà Resco (B15), Đường Nguyễn Cảnh Dị – Quận Hoàng Mai – Tp. Hà Nội.
- Website: dhk.com.vn
- Hotline: 0985 251 385
- Facebook: Giải pháp và thiết bị Chống sét DHK
- LinkedIn: DHK JSC E&S





Đánh giá
Chưa có đánh giá nào.