Giới thiệu sản phẩm thiết bị chống sét tín hiệu BCO CL2 BD HF 5
BCO CL2 BD HF 5 (927971) là thiết bị chống sét lan truyền dạng compact kết hợp (Combined Arrester) thuộc dòng BlitzductorConnect của DEHN, được thiết kế để bảo vệ 1 đôi đường tín hiệu tần số cao không nối đất (unearthed high-frequency bus systems) và các giao diện truyền thông cân bằng.
Đặc điểm nổi bật
-
Thiết bị SPD Type 1 / P2 bảo vệ đường tín hiệu tần số cao
-
Thiết kế compact chỉ 6 mm, tiết kiệm không gian trong tủ điện
-
Kết nối push-in giúp đấu nối nhanh và chắc chắn
-
Chỉ thị trạng thái hoạt động trực quan
-
Khả năng chịu dòng sét 1.5 kA (10/350 µs)
-
Khả năng thoát xung lan truyền 10 kA (8/20 µs)
-
Tần số cắt cao 100 MHz, phù hợp hệ thống bus tốc độ cao
-
Phù hợp lắp đặt trong tủ điều khiển, hệ thống tự động hóa và mạng truyền thông công nghiệp
Thông số kỹ thuật
| Thông số kỹ thuật | ||||||||||||||||||||||||||
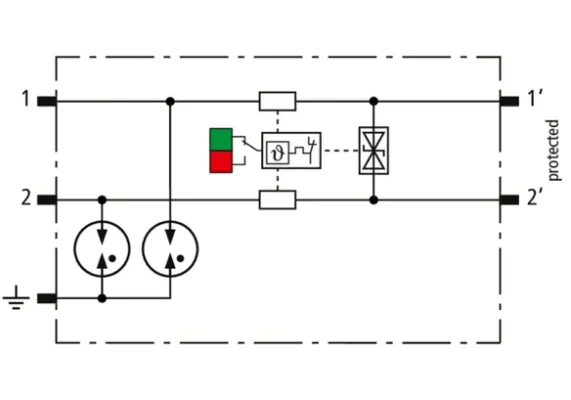
Hình ảnh sản phẩm Sơ đồ đấu nối Kích thước sản phẩm
|
Ứng dụng
BCO CL2 BD HF 5 được sử dụng để bảo vệ:
-
Hệ thống bus truyền thông tốc độ cao
-
Hệ thống điều khiển và tự động hóa công nghiệp
-
Thiết bị đo lường và cảm biến
-
Mạng truyền thông dữ liệu công nghiệp
-
Interface tín hiệu cân bằng

Liên hệ với chúng tôi để được tư vấn và hỗ trợ tốt nhất về các giải pháp phòng chống sét toàn diện.
- Văn phòng Hồ Chí Minh: 21 D3A, KDC Kiến Á, Phước Long B, Thủ Đức, TP HCM.
- Văn phòng Hà Nội: Tòa nhà Resco (B15), Đường Nguyễn Cảnh Dị – Quận Hoàng Mai – Tp. Hà Nội.
- Website: dhk.com.vn
- Hotline: 0985 251 385
- Facebook: Giải pháp và thiết bị Chống sét DHK
- LinkedIn: DHK JSC E&S








